Đồ án công nghệ CAD/CAM/CNC - khuôn đột lỗ trên proEngineer
Đề tài: Thiết kế, lập trình gia công bộ khuôn đột lỗ trên proEngineer



Chương 1: Giới thiệu về công nghệ CAD-CAM-CNC.
1. Giới thiệu chung về CAD/CAM trong lĩnh vực chế tạo khuôn mẫu
2 Vai troì và chức năng cuía CAD trong h thng saín xut tch hp (CIM)
3. phương pháp mô tả khối hình học (solid):
4. Ứng dụng CAD/CAM trong chế tạo khuôn mẫu:
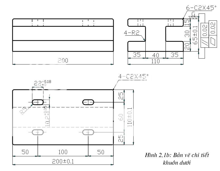
Chương 2: Phân tích thiết kế và chọn các thông số kỹ thuật gia công.
1. Đặc điểm về sản phẩm của chi tiết gia công
2.Tính năng kỹ thuật của chi tiết gia công.
3. Chọn máy gia công
4. Chọn dao và thông số kỹ thuật của dao
5. Phân tích và chọn chiến lược chạy dao
Chương 3: Lập trình gia công và xuất chương trình.
1. Phân tích lập trình gia công
2. Quá trình lập trình gia công gồm các bước sau:
3.Chương trình gia công
Đề tài: Thiết kế, lập trình gia công bộ khuôn đột lỗ trên proEngineer



Chương 1: Giới thiệu về công nghệ CAD-CAM-CNC.
1. Giới thiệu chung về CAD/CAM trong lĩnh vực chế tạo khuôn mẫu
2 Vai troì và chức năng cuía CAD trong h thng saín xut tch hp (CIM)
3. phương pháp mô tả khối hình học (solid):
4. Ứng dụng CAD/CAM trong chế tạo khuôn mẫu:
Chương 2: Phân tích thiết kế và chọn các thông số kỹ thuật gia công.
1. Đặc điểm về sản phẩm của chi tiết gia công
2.Tính năng kỹ thuật của chi tiết gia công.
3. Chọn máy gia công
4. Chọn dao và thông số kỹ thuật của dao
5. Phân tích và chọn chiến lược chạy dao
Chương 3: Lập trình gia công và xuất chương trình.
1. Phân tích lập trình gia công
2. Quá trình lập trình gia công gồm các bước sau:
3.Chương trình gia công
Click DOWNLOAD và NẠP CARD 10K để tải đồ án

Nếu các bạn chưa biết cách tải, hãy tham khảo bài viết sau:
Hướng Dẫn Download Và Điền Pass Mặc Định Chung Của Trang choban.pro
Nếu xảy ra vấn đề về lỗi tải, không tải được, các bạn vui lòng để lại lời bình luận bên dưới.
Xin cảm ơn.

Nếu các bạn chưa biết cách tải, hãy tham khảo bài viết sau:
Hướng Dẫn Download Và Điền Pass Mặc Định Chung Của Trang choban.pro
Nếu xảy ra vấn đề về lỗi tải, không tải được, các bạn vui lòng để lại lời bình luận bên dưới.
Xin cảm ơn.
Không có nhận xét nào:
Đăng nhận xét