Với 42 trang bài tập kèm lời giải lập trình chính xác, là 1 tài liệu tốt cho sinh viên, kỹ sư đang học tập và làm việc với CNC.
I . Bài tập Tiện

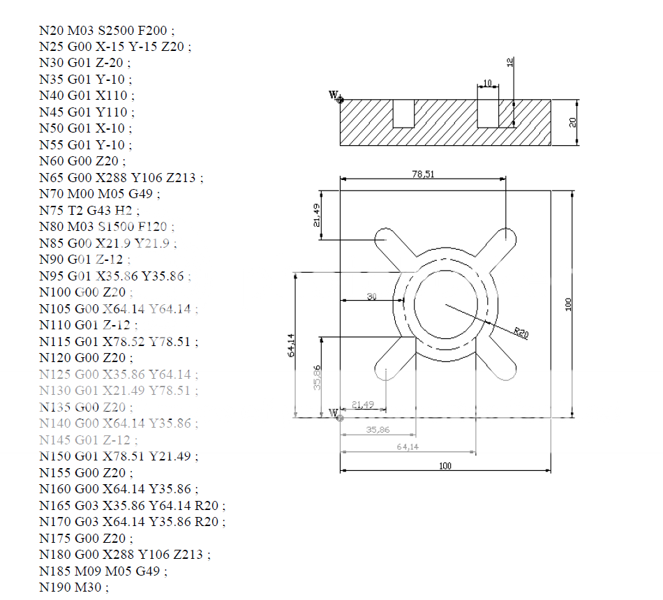
II Bài tập phay

Click download và ủng hộ web card 10k để tải tài liệu hữu ích này.

Nếu các bạn chưa biết cách tải, hãy tham khảo bài viết sau:
Hướng Dẫn Download Và Điền Pass Mặc Định Chung Của Trang choban.pro
Nếu trong trường hợp download bị lỗi, hay có yêu cầu gì vui lòng để lại lời bình bên dưới bài viết.
Chúc các bạn thành công.
Không có nhận xét nào:
Đăng nhận xét